-
Y电容的应用与选取
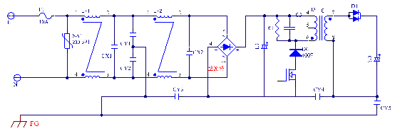
如上图所示,安规Y电容在我们的隔离电源的应用。
隔离电源在初次级上加Y电容是为了给次级的共模电流提供一个回路到初级,减少共模电流对输出的影响。有时候Y电容串接在大电解电容的正和或者是地之间,这都是可以的。有时候原副边串两个Y电容是为了提供更高的耐压。
Y电容通常有一下4种接法。
a:输出端盖与共模电感形成滤波器,L和N分别对PE加Y电容。CY1、CY2。
b: 储能大电容正负端对大地PE加Y电容.CY3
c: 输出端对大地PE加Y电容 如CY5.
d:变压器原副边跨接,如CY4
上面的几种接法种,对与Y电容的选择是选Y1还是选Y2,电压是多少对于我们很多人都不是很清楚。
首先我们看下图Y电容的一些参数。
上图不同等级的Y电容的的额定电压与脉冲峰值电压是不同的,那我们什么时候用Y1,什么时候用Y2了。
这与我们测试的耐压值又关。
一般原副边的耐压要求是AC3750V,那峰值电压 就是3750*1.414=5303V
从上面的数据来看只有加强绝缘的Y1安规电容符合要求,那我们只能选择Y1的安规电容跨接在原副边。
而输入对大地PE一般都是AC1875V 峰值电压是2652V
通过上面的表格我们可以选择Y2的安规电容,同理,我们的输出也可以选择Y2的安规。
以上总结:在隔离开关电源中,原副边需要用Y1型的安规电容
其他都只需要用Y2型的安规电容。
关于Y电容的容值选取。
首先我们的知道Y电容的容量是按什么来算的。
Y电容的选取一般是按泄漏电流来计算。
“泄漏电流的限值应用是依据国际电工委员会 (IEC)TC64技术委员会“电流对人体影响”的科研成果—— 摆脱电流阈值和感知电流阈值 。 摆脱电流阈值即是人能自主摆脱带电物体的电流,取概率为0.5%女性的最大自然摆脱的电流5mA;感知电流阈值即是对人体的肌 肉无反应,能防止二次事故的人体的反应(感知)电流为0.5 mA ~ l mA”
一般如无特殊规定,在额定负载、额定工作条件下 ,运行到实际稳定状态时的泄漏电流和在潮湿试验后的泄漏电流
值不能超过
I类工具: 0.75mA:
II类 工具 : 0.25mA:
III类 工具 :0.50mA
泄漏电流的测试时L与N并联,对PE加额度的输入电压。
下图是泄漏电流的回路图
我们知道容抗公式Xc=1/2ΠfC
如果我们的输入最高电压时Vin=AC264V 频率60Hz
规定的泄漏电流时I=0.75mA 那么我们的电容c=I/(2*Π*f*vin*1.414)=5.33nF
因为我们的Y电容是有误差范围,
Y电容的误差范围是 ±5%(J), ±10%(K), ±20%(M)
一般我们选取的是 ±10%(K),刚才我们算出来输入的CY1,CY2,CY3的总和是5.33nF
假设我们选的容值刚好都是正误差,C*1.1=5.33nF 那么C=4.84nF 这个值是最大值,
这个值我们可以认为输入对大地的Y电容不要大于4.7nF(这个值只是个人建议,因为4.7nF在电容中是一个标准值)就可以了。
输入对PE的泄流电流测试回路里面,Y电容的串并联关系是,CY1//CY2//CY3//CY4串CY5
-
压敏电阻应用2
压敏电阻在电源里面非常的常见。
它的应用一般都是在开关电源的输入部分,用来防雷击浪涌。
1、一般的应用是输入端L相与N相跨接一压敏电阻。
2、共模电感上也可能会放陶瓷放电管。
3、L相与N相对大地上用压敏串陶瓷放电管。
这些电路的作用都是用来防雷用,电路都是非常的常见。
但是压敏电阻的选取的过程中,很多的工程师都是说是经验,对于压敏电阻上的一些参数了解的非常少。
下图是我们的雷击浪涌的电流组合波形
下面图1与图2都是我们常用的防雷电路
1、压敏电阻的选取是要根据我们的输入电压来选取,我们是需要查看压敏电阻的规格书,一般我的输入电压AC85V-264V,我们在选取压敏电阻的时候就需要查看规格书上面的最大允许电压要比我们的输入电压要高。
列如我们常用的471 它的最大允许电压AC300V DC385V
同时通流量也是需要注意的,一般规格书上给出来的通流是1次的通流量,我们在选取的时候一定需要留有很大的余量,通流量是我们选择直径的依据,如果一个417KD10 的压敏电阻在计算的时候刚好接近规格书上的通流量2500A,我们可以选取两个来并,如果空间不够的时候我们可以选择加强型的。
看下图我们能看出来我们普通型的通流量是2500A,增强型的是3500A
图2上面我们看到压敏电阻上串联陶瓷放电管,陶瓷放电管上并联了电阻,
陶瓷放电管的作用是触发导通后,陶瓷放电管上的残余电压非常低,这样的最后的钳位电压基本上是由压敏电阻来决定,陶瓷放电与压敏电阻串联时,我们可以选取391的压敏电阻+600V的陶瓷放电管,这样钳位电压要比单各压敏电阻471要低很多。391的钳位电话有时650V 471的钳位电压时775V。
并电阻在陶瓷放电管上的作用:有些工程师在选取的陶瓷放电管时,导通电压可能小于输入电压,因为压敏电阻上的寄宿电容要比陶瓷放电管上的电容大的多,一般压敏电阻上的寄生电容有1KHz时有几百pF 而陶瓷放电管在1MHz时只有几pF。因此寄生电容上的分压,导致陶瓷放电管上的压降基本上等于输入电压。这时并电阻就可以降低放电管上的压降。
共模电感上并联陶瓷放电管与L相与N相对大地跨接压敏电阻串陶瓷放电管一样的作用,有时可能只会出现一组电路。作用都时用来防共模雷击。
-
压敏电阻应用1
从上图看471KD10与471KD20的数据来比较,我们可以看出允许的最大交流与直流电压都相同,但是最大的钳位电压上面我们可以看出KD10的与KD20通过的电流时25A与100A,这说明我们在同一个电路上,打同一等级的雷击浪涌时,KD10的钳位电压要比KD20的高。
从这些数据来看的话,我们在做雷击实验的时候要是不过的话,可以选择大一号的压敏电阻,这样我们的产品要安全的多。有时可以并联一个同一型号的压敏电阻也可以降低钳位电压,从而达到很好的保护我们的产品。
-
MOS管波形异常的解决方法
接下来我和大家介绍PFC MOS管DS震荡波形解决方法
PFC的结构原理图如下
图1
我们的mos管波形在各拓扑结构中的波形都会不一样,对与PFC来说,我们的MOS管波形见图2,这是因为我们的工作在了CCM模式下的PFC MOS管波形,可以看到尖峰非常高,
图2
图3
从图3我们可以看到DS的震荡非常的厉害,当出现这种现象的时候,需要怎么解决了,有很多刚入行的工程师可能不知道怎么入手。
对于这一关问题可以从下面几个点入手
1、续流二极管是不是合适,检查续流二极管的规格书,找一个参数相近而不同品牌的二极管装上去重新测试下,对比前后波形看有没有改善。
2、Mos管的也可以找一个不同品牌的替换上去看下波形,是不是有变化,变差还是变好
3、查看驱动波形,是不驱动电阻太小,导致驱动震荡的非常厉害,改变驱动电阻的阻值,改大看看有没有改善,
4、如果上面的都没有改善的,看是不是PCB布线的问题,可以割线看看,但是一般不建议这样做,
5、实在不行就加RC钳位电路,但是带来的是损坏加大,MOS管温升可能会高。
一般我们都是从以上5点出发来解决问题。
我们解决问题的时候首先的从最简单的入手。
对我们最简单的就是先查看驱动波形,与DS的电流波形,如果没有电流探头的,可以先看驱动的波形,如果驱动的波形很差的话,我们可以通过改变驱动的匹配电阻来改善驱动波形。
实际查看得驱动波形如图4
图4
从图上驱动波形来看得话,一般这样的问题都是硬开关里面出现,因为有很米勒效应在里面,当我们看到有弥勒效应的时候,就可以确定我们的开关是硬开关,从图上的波形来看,
MOS管驱动是有很严重的问题的。
首先当驱动电压到了米勒平台后,我们希望他是保持不变得,
但是上图中2号圈里面有震荡,而且震荡的非常严重,都有震荡到接近0V了,
这是我们不能接受的,很可能会引起二次关断。
当出现这种现象的时候我们的解决方法只有加大驱动电阻
如下图是一个推挽电路,也叫图腾柱,我们可以改变R3,把R3电阻适当加大,让开通速度适当变慢,R3由原理的22Ω,改成了现在的47Ω,
然后我们在看关断的的米勒效应1号圈,也是震荡的非常厉害的,一样的办法是改变驱动电阻R2,加大R2的阻值,R2的阻值也是由原来的22Ω改成了47Ω
图5
改好了驱动电阻后,我们再来看下改完驱动电阻后的驱动波形
下面图6是该后的驱动波形。
图6
从图6的波形来看,驱动波形非常的漂亮,原来的震荡基本上没有了,可能有人会认为这样加大驱动电阻会引起MOS波形发烫,其实是不会的,因为我们的驱动电阻加的也不是很大,
当然改完后还是要做温升测试。
下面我们在来看图7的DS的波形,已经非常漂亮了,图8是没有改驱动电路的波形,
从下面的两个图对比来看,我们的DS波形震荡已经改善了,DS震荡在我们的接受范围内。
这样我们的MOS管的电压应力也解决了。
图7 图8
从这一个案例来看得话,驱动电阻太小时很有可能会引起我的DS震荡非常的厉害,这一原因都是弥勒效应的存在,所以在选取我们的mos管的时候也可以注意下寄生电容的大小,如果我们不改变驱动电阻的情况下,改变MOS管也可能会有所改变,原理都是改变mos管的开通与关断速度,让dV/dt变小。
如果改驱动电阻没有效果的话,可以改变续流二极管,这也是一个不错的选择。但是对于加钳位电路与改PCB板是尽量不要去用。
-
输出二极管选取
关于怎么选用输出二极管
有关二极管选取一般从一下几点着手。
一、根据二极管应用的开关速度来选取不同类型的二极管,
二、根据输出的电流来选取二极管的电流范围
三、通过计算来确定二极管的反向电压,来选取二极管电压
四、根据损耗来选取二极管的封装
首先我们的清楚二极管的类型有一下几种
1、普票二极管
2、快恢复二极管
3、超快恢复二极管
4、肖特基二极管
他们的优缺点有
1、普通二极管的特性都是单一导通,是一个用P型半导体与N型半导体接触形成PN结原理做而成的二极管。他的反向恢复时间比较长,但是冲击电流比较大,反向耐压高。
一般都是用在低频整理,如输入的AC整流桥用。
2、快恢复二极管(FDR)是一种具有开关特性好,反向恢复时间短特点
快恢复二极管的内部结构与普通PN结二极管不同,它属于PIN结型二极管,即在P型硅材料与N型硅材料中间增加了基区I,构成PIN硅片。
因基区很薄,反向恢复电荷很小,所以快恢复二极管的反向恢复时间较短,反向时间一般在150ns-500n之间,正向压降较低,反向击穿电压(耐压值)较高。
主要应用于开关电源、PWM脉宽调制器、变频器等电子电路中,作为高频整流二极管、续流二极管或阻尼二极管使用
3、超快恢复二极管:
超快恢复二极管,是一种具有开关特性好,反向恢复时间超短的半导体二极管,常用来给高频,逆变装置的开关器件作续流,吸收、钳位、隔离、等作用
超快恢复二极管的优点是,反向恢复时间短,一般在100nS以下,有大的电流能力与高抗浪涌电流能里,低正向压降、低反向漏电流。
4、肖特基二极管(SBD):
SBD不是利用P型半导体与N型半导体接触形成PN结原理制作的,而是利用金属与半导体接触形成的金属-半导体结原理制作的。因此,SBD也称为金属-半导体(接触)二极管或表面势垒二极管,它是一种热载流子二极管
肖特基二极管的耐压能常较低(大多不超过200V),但是它的恢复速度快(10nS一40nS),正向压降低等特点,可以用在高频场合,开关电源中常常采用此种二极管作为整流输出用,能很好的提供效率。
反激输出二极管选择类型;
反激电源一般工作频率在几十kHz-几百kHz,那么对于反激输出整流二极管D1一般都会选择超快恢复的二极管或肖特基二极管,对选择是肖特基还是超快恢复二极管这的看输出二极管的反向耐压了,肖特基的耐压大多在200V以下,如果输出二极管的反向耐压小于200V是可以选择的肖特基,如果大于200V就选择超快恢复的二极管,
二极管的电流选择:
一般输出二极管电流都是会按照输出电流的3-5倍选取,
原因是我需要流有一定的余量
然后是,这个经验值也是根据二极管的电流降额曲线来评估的。
下图是一个600V10A的电流降额曲线图。
600V10A 封装是T0-220
US1M的电流降额曲线图。
我们通过上面两个图可以看出,当我们的电源在高温的环境里面工作的时候,输出二极管可能到达了120°左右,
那看上面的600V/10A的二极管,125°的时候电流降额到了5A,那么我们的留有一定的余量的话,通过的电流平均就是3-4A左右,如果是US1M的二极管,125°的温度的时候是不是就只有0.3A的电流了,那平均工作电流就只有工作了0.2A.所以差不多就是5倍了,所以3到倍的经验值就是这么来的。
反激二极管的耐压值的选择:
首先我们根据我们的反射电压与匝比计算出我们的耐压,然后流有一定的余量,一般选取二极管的耐压都是会≥1.2-1.3倍按照反射电压计算出来的耐压值。
封装的选择,封装有贴片与插件的,贴片的一般电流都不大,有SMA、SMB、SMC、插件的DO15、DO27、DO34、DO35、DO41 等,还有TO220,一般先选定是插件还是贴片,根据电流与电压来选二极管,规格书一般哦会有封装的。然后安需求来选取。
